Quick Menu
Research
해외논문
-
Energy saving potential of run-around heat recovery coil-assisted air- conditioning system for retrofitted buildings (Accepted)
Recently, the demand for energy-efficient air cooling and dehumidification systems for retrofitting existing buildings has grown. In conventional vapor-compression systems, substantial cooling energy is required to lower air temperature below its dew point for dehumidification, followed by reheating to meet the supply air setpoint. This process leads to significant energy inefficiency, especially in buildings with low sensible heat ratio. To address this, a run-around heat recovery coil (RAC)-assisted air-conditioning system is proposed as a practical retrofit solution. The system integrates two heat recovery coils before and after the cooling coil to precool and reheat the supply air using a circulating working fluid. Beyond the component-level analysis, this study evaluates the energy-saving potential of the RAC-assisted system through building energy simulations that incorporate part-load operation and climatic variability. The effectiveness–NTU approach was developed to characterize the heat recovery performance under varying air and water flow rates. Using these results, building energy simulations were conducted across multiple climates. In the representative climate of Seoul (Korea), the RAC system reduced thermal loads on the cooling and reheating coils by 13.5% and 55.5%, respectively, achieving total energy savings of up to 27.2% despite added fan and pump energy. Further analysis under various climatic conditions and corresponding building loads showed that energy savings increased to 35.4% in buildings under a humid continental climate. These findings demonstrate the potential of the RAC system as an energy-efficient retrofitting strategy.
2026-01-12 18:22 -
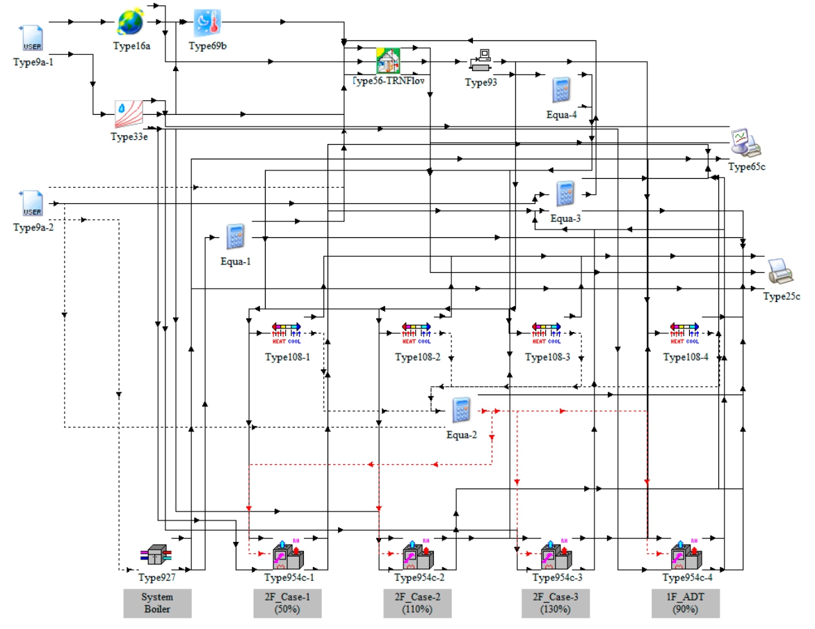
Proxy-Calibration Approach for Transient Simulation of Variable Refrigerant Flow Systems in Energy Performance Assessment of an Existing Building
This study investigates a Proxy-Calibration method for modeling Variable Refrigerant Flow (VRF) systems in TRNSYS, addressing the absence of a dedicated simulation component. The approach approximates part-load behavior through indoor-unit combination mapping, utilizing empirical data from a public office building in Seoul. Simulation results were compared with one year of monitored data. While indoor temperature trends showed moderate agreement (R2 = 0.68), electricity consumption diverged significantly from actual measurements. The coefficient of variation in the root mean square error (CVRMSE) ranged from 95% to 118% for the boiler and 153% to 590% for the VRF system, indicating a substantial discrepancy well beyond standard calibration thresholds. These findings underscore the limitations of using static performance maps without explicit control logic. Consequently, this study defines the proposed method as an exploratory investigation; while it establishes a procedural framework for approximating VRF operation, rigorous energy prediction requires further refinement through empirical curve fitting and detailed control representation.
2026-01-06 17:36 -
Data-driven model for predicting power consumption of heat-pump-driven liquid-desiccant systems in building applications
With the growing emphasis on indoor humidity control in energy-efficient buildings, heat-pump-driven liquid- desiccant (HPLD) systems have emerged for their ability to independently control air temperature and humidity. Previous studies have estimated their power consumption using theoretical models, which are often limited by structural complexity and challenges in physical interpretation. Additionally, theoretical models yield prediction inaccuracies when applied to buildings because they lack sensitivity to dynamic environmental variations typically observed in real-building conditions. This study develops a simplified data-driven model using real- building measurements to predict power consumption, capturing partial-load compressor performance under variable outdoor conditions and indoor thermal loads during the summer season. A polynomial regression method is used to develop the model in a simplified equation-based form. The developed model achieves R- squared, root mean squared error, and mean absolute percentage error (MAPE) values of 0.9583, 0.0668, and 8.37 %, respectively, in predicting the partial-load compressor power. Moreover, the model predicts the compressor energy consumption during summer operations with a percentage error of 0.36 %. Its adaptability is further validated against previous studies on HPLD systems with diverse features and specifications, within an acceptable error bound of ±20 % and a MAPE of 11.1 %. These results highlight the exceptional prediction accuracy and practical utility of the model developed in this study, supporting its adoption in various building application scenarios and replacement of theoretical models.
2025-07-29 10:02
국내논문
-
공랭식 데이터센터 작업자 환경의 소음 노출 수준에 관한 사례 연구
Data centers are expanding rapidly as critical infrastructure for AI, cloud computing, and telecommunication services. While energy efficiency and greenhouse gas emissions have received significant attention, the issue of occupational noise exposure in air-cooled data centers remains underexplored. This study aims to quantify noise levels within an operational data center and assess worker exposure in relation to international and national regulatory standards. Field measurements were conducted in a large-scale data center, equipped with both hot aisle containment (HAC) and cold aisle containment (CAC) systems. Following ISO 9612 guidelines, A-weighted equivalent continuous sound pressure levels (Lp,A,eqT) and C-weighted peak sound levels (Lp,Cpeak) were measured at standing and seated ear heights, alongside frequency spectra and Noise Rating (NR) analysis. Acoustic camera measurements were further applied to visualize spatial noise sources. Results indicate that average noise exposure frequently exceeded 85 dBA, with peak levels surpassing 100 dB in the CAC, thus exceeding NIOSH and OSHA occupational noise limits. Frequency analysis showed dominant noise in the 500 Hz~4 kHz range, directly impacting auditory fatigue and verbal communication. NR evaluations revealed multiple zones exceeding NR-70. This case study underscores the severe acoustic environment in air-cooled data centers, with implications for occupational health and facility design. Future work should expand measurements across diverse data centers to support generalization and inform policy development.
2025-11-18 16:43 -
상변화 물질 통합 조명기구의 냉방 에너지 저감 효과 분석
The phase chase material (PCM) integrated lighting fixture is suggested to reduce the heat from lightings in the building by inserting PCM in a cover of lighting. Thereby, the heat from the lightings expects to be absorbed to the PCM during the working time and rejected during the night time without occupants. The thermal performance of PCM integrated lighting fixture has been estimated using Physibel Voltra which provides three-dimensional transient heat transfer analysis. The results shows that it can successfully decrease the surface temperature of lighting about 2°C and reduce the heating load within averaged 47%. Based on the analyzed results, the detail energy simulation has been performed using theoretical equations and empirical models from the Energyplus to evaluate the energy saving potential of PCM-integrated lighting fixture during the cooling season. The target building is normal office building with the variable air volume (VAV) system for air conditioning and ventilation. As results, the 5.8% of energy savings is expected from the chiller, pump and fan by using PCM-integrated lighting fixture. In addition, it can be expected that if the heating loads from lightings could be more decreased up to 10% by improving heat transfers of PCM layers, the energy consumption could be saved maximum 13.2% during the cooling season.
2025-03-20 11:47 -
공공데이터 기반의 건물 에너지 진단을 위한 Change Point Model의 최적 데이터 해상도 분석
This paper aims to analyze optimal resolution for energy consumption data to improve data-driven building energy consumption diagnosis with the ASHRAE change point model. A 9-floor office building is selected as a target, and hourly data is measured throughout a year. Heating, cooling, and other types of energy consumption are measured separately, to find truth values of the heating change point and cooling change point, which refers to the temperature at which the building starts heating or cooling. After the truth change point is found, the total sum of the consumption is resampled along different time intervals, to reflect various levels of data resolution. Change point models are built with each differently resampled data, and their results including change point and RMSE were compared to find the optimal time interval of the data. The result showed 2-week interval is the optimal interval. However, an unordinary pattern, which may be due to individual heating or cooling appliances being counted as appliance consumption rather than cooling or heating consumption, is observed as well. The results of this study suggest that the resolution of public data needs to be improved for the energy consumption diagnosis based on public data, and the usage of individual heating and cooling devices needs to be considered additionally in the diagnosis process.
2025-03-19 22:14
새소식
-
19 2026-05[우수발표논문상 수상] 한국태양에너지학회 춘계학술발표대회 포스터 부문
박광훈(발표자), 문선우, 송현민, 임성우, 임한솔(교신저자)이 한국생활환경학회 추계학술발표대회의 포스터 부문에서 “도심 열섬 완화를 위한 버스정류장용 태양열 기반 액체식 제습·직접 증발냉각 패키지 개발"을 발표하여 우수발표논문상을 수상하였습니다. 축하합니다! 👏
-
17 2026-04[우수상 수상] 대한건축학회 대전∙세종∙충남지회 기술경진대회
김규영, 박상하, 이희찬 (학부생)이 대한건축학회 대전∙세종∙충남지회 주관 기술경진대회의 건축환경설비 분야에서 “초지향성 스피커의 원리를 이용한 AI 기반 개인 맞춤형 능동 소음 제어 시스템”의 주제로 우수상을 수상하였습니다. 축하합니다! 👏 충청뉴스 “한밭대, 건축학회 지역경진대회서 최우수·우수상 수상” https://www.ccnnews.co.kr/news/articleView.html?idxno=407227
-
20 2026-02에너지 자립률 100% 넷제로 건축물 구현 기술 개발 (2026.03.01. ~ 2030.12.31.) / PI Sponsor: 과학기술정보통신부
신규 연구개발과제로 “에너지 자립률 100% 넷제로 건축물 구현 기술 개발 (2026.01.01. ~ 2030.12.31.)”을 과학기술정보통신부로부터 지원 받아 수행하게 되었습니다. BPES는 "2세부: 에너지 설비 성능 실검증 기술 개발" 의 Hardware-in-the-loop simulation (HILS) 기반 열원설비 시스템 파트를 맡아 연구를 수행합니다.

